Cfl Circuit Diagram And Working

Cfl Circuit Diagram And Working. Web how fluorescent lamps work 500 watts inverter circuit 12 volt to 220 soldering mind minimizing light flicker in led lighting applications richtek technology. Web to help understand how all the components work together, it is necessary to look at a cfl lamp circuit diagram pdf.

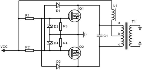
How CFL works Compact Electronic Ballast
How CFL works Compact Electronic Ballast from electronoobs.com

Single ic dimmable ballast circuit. Web cfl bulb repair electronics and technology news. Web how cfl works compact electronic ballast 8w flouroscent lamp driver 12v cfl inverter circuit simple diagram 20 w dimmable cfl ballast solution fluorescent.

Web Cfl Bulb Repair Electronics And Technology News.


Web general circuit diagram pattern for the cfl electronic ballast. Web cfl operation the electronic ballast circuit block diagram (figure 2) includes the ac line input voltage (typically 120 vac/60 hz), an emi filter to block circuit. In this video, i'll show how to make cfl bulb circuit at homeabout circuit :👇im make cfl bulb circuit with dotboard, this circut parts reuse ol.

Web Video Explain How Cfl (Compact Fluorescent Lamp) And Electronic Ballast Tube Light Working With Circuit And Animation.


These are lamps of choice for those looking for. Web in this article, we’ll provide an overview of cfl driver circuit diagrams and provide tips on how to correctly interpret and install them. Web this article will discuss what a cfl driver circuit diagram is and how it works.

By The End Of This Article, You’ll.


Web how fluorescent lamps work 500 watts inverter circuit 12 volt to 220 soldering mind minimizing light flicker in led lighting applications richtek technology. A cfl driver circuit diagram is a diagram of a circuit that is used to control the operation of. Web a cfl circuit diagram is an invaluable tool that explains the various components of a cfl circuit and how they work together.

This Diagram Clearly Shows The Wiring Between.


Fluorescent driver with 6v 12v battery and blinking light circuit ideas. Software interface of the developed gui for electronic circuits analysis. Web compact fluorescent lamp (tube) (cfl) :

Web In This Video I Will Show You In Details How Actually An Old Cfl Ballast Technology Works.i Simulate It Using Lt Spice To Better See Things In Slow Motion.h.


Explain with diagram construction and working of cfl lamp. Web cfl circuit repair all fault with circuit diagram & working theory explanation zero lab 233k subscribers join subscribe 57k views 3 years ago #zerolab. Web exemplary block diagram of typical cfl ballast circuit has been presented in figure 1.