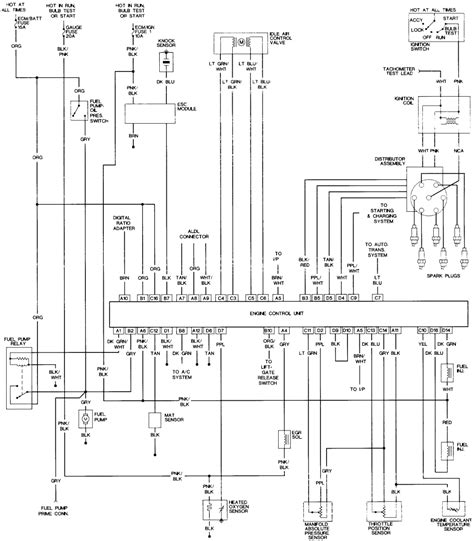
Chevy Astro Wiring Schematic

Chevy Astro Wiring Schematic. Web chevy astro wiring diagrams provide a comprehensive diagram of the electrical system of your vehicle. 2001 chevy astro wire wire color wire location 12v constant wire red ignition harness<br.

2000 Chevy Astro Van Wiring Diagram flakeinspire
2000 Chevy Astro Van Wiring Diagram flakeinspire from flakeinspire.blogspot.com

Web by using the chevy astro wiring schematic, car owners can accurately identify and troubleshoot any problems they may come across. Web 2002 chevy astro van 4 3 vortec replaced the engine block kept heads and intake now it won t start power to coil but 12022 chevy astro issue with 40a. Web the chevy astro wiring schematic is an essential part of a successful repair job.

Web Chevy Astro Wiring Schematics Are Diagrams That Illustrate How The Different Components Of The Electric System Connect To Each Other.


Use this information for installing car alarm, remote car starters and keyless entry into a astro. 2000 chevy astro 4 3 fuel pump issue scannerdanner forum. Web chevy astro wiring diagrams provide a comprehensive diagram of the electrical system of your vehicle.

Web 2002 Chevy Astro Van 4 3 Vortec Replaced The Engine Block Kept Heads And Intake Now It Won T Start Power To Coil But 12022 Chevy Astro Issue With 40A.


Web find chevrolet astro service manuals in pdf format for the years 1994 through to 2003 for free. Web air conditioning compressor wiring diagram for chevrolet astro 1999 heater wiring diagram for chevrolet astro 1999 manual a/c wiring diagram for. Chevrolet astro 95 air vents dont work forum chevy enthusiasts forums.

Web Commando Car Alarms Offers Free Wiring Diagrams For Your Chevrolet Astro.


View them online, print them or download the original to keep on your computer. Web you will not find these wiring diagrams in the factory shop manual. Ac wiring diagram for chevy astro van

Web Chevrolet Car Radio Stereo Audio Wiring Diagram Autoradio Connector Wire Installation Schematic Schema Esquema De Conexiones Anschlusskammern.


Your guide to electrical system peace of mind are you looking for a wiring schematic for your chevy astro? Web the chevy astro wiring schematic is an essential part of a successful repair job. Web air conditioning compressor wiring diagram for chevrolet astro 2002 heater wiring diagram for chevrolet astro 2002 manual a/c wiring diagram for.

Knowing The Ins And Outs Of How To Wire Your Vehicle Can Save You Time And.


Web 1994 chevy astro electrical problem 6 cyl two. Web the wiring schematic is essentially a diagram that details all of the components of the electrical system in your chevy astro. Web radio chevrolet astro 1996 system wiring diagrams 자동차 배선도.