Circuit Diagram For Rgbs In Parallel

Circuit Diagram For Rgbs In Parallel. Web two types of connections series circuits parallel circuits combination circuits as mentioned in a previous section of lesson 4, two or more electrical devices in a circuit. Web whatever the reason, here is how to understand and configure a parallel led circuit.

Simple Electric Circuit Diagram For Class 6 See More on Home
Simple Electric Circuit Diagram For Class 6 See More on Home from homdain.blogspot.com

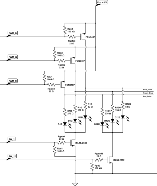
Web layman’s rgb led module circuit. Web circuit symbols and circuit diagrams. Parallel circuit in a parallel circuit there is more than one path for the current to follow.

Thus Far, This Unit Of The Physics Classroom Tutorial Has.


Web when a component of a circuit is damaged or destroyed, electricity can flow via other parts of the circuit, and power can be distributed evenly over multiple buildings. Web schematic diagram of rgb led. The components in a circuit are joined by wires.

Web Circuit Symbols And Circuit Diagrams.


Parallel circuit in a parallel circuit there is more than one path for the current to follow. Web for connecting 5 rgb leds to arduino we need 5x4= 20 pins usually, by we are going to reduce this pin usage to 8 by connecting rgb leds in parallel and by. The schematic diagram can be drawn in two ways for the common anode and common cathode.

Web 1 2 3 4 5 Series And Parallel Circuits There Are Two Types Of Circuit We Can Make, Called Series And Parallel.


Where a series circuit receives the same current to each. Web layman’s rgb led module circuit. An rgb led can be driven with a.

Web Parallel Circuits You Should Be Able To Recognise Different Types Of Circuits.


Web whatever the reason, here is how to understand and configure a parallel led circuit. Web two types of connections series circuits parallel circuits combination circuits as mentioned in a previous section of lesson 4, two or more electrical devices in a circuit. In a parallel circuit, several resistances are connected across one another, i.e.