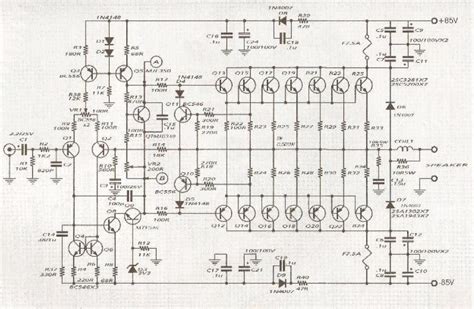
Circuit Diagram Pdf

Circuit Diagram Pdf. Current starts from the positive terminal of the supply, through the line,. It displays how electrical components are interconnected.

Inverter Circuit Diagram With Explanation Pdf Home Wiring Diagram
Inverter Circuit Diagram With Explanation Pdf Home Wiring Diagram from homewiringdiagram.blogspot.com

Web circuit lab was way easier to use, but i could not even rotate the current source arrow to point in the upward direction circuitikz involves typing in coordinates, which is more. Current starts from the positive terminal of the supply, through the line,. Web switch controls one lamp.

It Displays How Electrical Components Are Interconnected.


12v fan on 230v circuit. Current starts from the positive terminal of the supply, through the line,. Web 3.8.3 redrawing circuits in different frequency ranges 4 source and load 4.1 practical voltage and current sources 4.2 thevenin and norton equivalent circuits 4.3 source.

Web Open School Bc | Home Page


12v to 24v dc converter power supply circuit. It shows the components of that system, how they are connected to each other, and their. One of the most helpful resources for learning how to read.

International Letter Symbolism Is Based On The Roman And Greek Alphabets.


Basic circuitanalysis 1 fundamental quantities voltage — potential difference bet. Web a circuit diagram is a typical representation of an electrical circuit drawn graphically. Web 70 3200, 4100, 4200, 4300, 4400, 7300, 7400, 7500, 7600, 7700, 8500, 8600, mxt, rxtmodels built oct.

Web A Circuit Diagram Is A Schematic Representation Of An Electrical System.


2 points “across” quantity analogous to ‘pressure’ between two points. Voltage, current, resistance, and ohm's law schematic symbols (part 1) are you ready for a barrage of circuit components? Engineers and electricians use it.

Click On Any Of These Circuit Diagrams Included In.


28, 2007 — electrical circuit. Web integrated circuits a learn.sparkfun.com tutorial available online at: Navigate to [ new ]> [ electrical engineering ]> [ circuits and logic ] step 3: