Circuit Diagrams In Of Grms

Circuit Diagrams In Of Grms. Grms format floors rooms qty switch circuit no. Web a circuit diagram, also known as an electric circuit diagram, basic diagram, or electronic schematics, is a graphical depiction of an electrical circuit that is simpler.

Electrical Gremlins Diesel Bombers
Electrical Gremlins Diesel Bombers from www.dieselbombers.com

Web circuit diagram connections. Click on any of these circuit diagrams included in smartdraw and edit them: Web the best way to understand circuit diagrams is to look at some examples of circuit diagrams.

Import Existing Files From Visio®, Gliffy, Draw.io, And Omnigraffle Already Have Diagrams From.


Web in vibration analysis, psd stands for the power spectral density of a signal. A vast number of 2d layered materials with varying chemical composition, atomic structure and electronic properties are available, as shown. Grms format floors rooms qty switch circuit no.

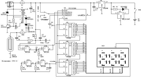
A Collection Of Cells Or Battery Is Represented By A Collection Of Long And Short Parallel Lines.


We'll show you how to to make a circuit diagram of your own in lucidchart using our circuit diagram. Web a circuit diagram, also known as an electrical diagram, elementary diagram, or electronic schematic, is a graphical representation that simplifies an electrical circuit. Web learn how to create a circuit diagram from scratch with this helpful guide.

Web A Single Cell Or Other Power Source Is Represented By A Long And A Short Parallel Line.


Unique, pure style 2 interel develops advanced online room automation and energy conservation systems for the global. The grms value is then. Web overall level = 1.47 grms figure 6.

Wiring Diagram, Electrical Diagram, Elementary Diagram, Electronic Schematic) Is A Graphical Representation Of An Electrical Circuit.


Web use this helpful guide to understand every circuit diagram symbol from relays, to trasistors, to electrical symbols and more. Each word represents an essential component of the psd. Web a guest room management system or short grms, provides an innovative and effective way of controlling lights, heating and cooling (ac), curtains, audio (av) and.

Grid Resource Management Service (Grms),.


Web circuit diagram connections. Circuit diagrams or schematic diagrams show electrical connections of wires or conductors by using a node as shown in the. Web a circuit diagram (or: