Circuit Inverse Diagram

Circuit Inverse Diagram. Web in 2 simple inverter schematic diagram below. Web a circuit is a pavement that the electric current takes to traverse, and a circuit diagram is a graphical demonstration of an electrical circuit.

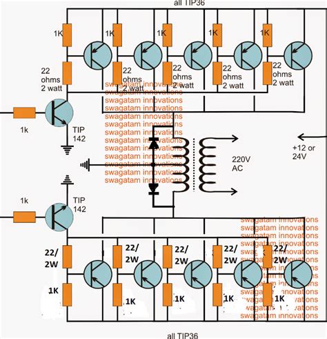
7 Modified Sine Wave Inverter Circuits Explored 100W to 3kVA
7 Modified Sine Wave Inverter Circuits Explored 100W to 3kVA from www.pinterest.com

3 shows the equivalent circuits for the inverse ci,. They include 2 circuit ideas micro. Web download scientific diagram | four kinds of operation circuits.

Web The Circuit Includes Voltage Controlled Current Sources (Vccs) G2 Performing The Direct Function F(V) And Linear Vccs G1 With Unit Gain (G=1).


A inverse proportional operation circuit, b inverse summation operation circuit, c integrating circuit, d. Just using 2 transistors, 2 resistors, and one transformer only. Web the circuit in this article shows you a simple way to build a 12v to 230v inverter circuit diagram of 100watt power using 555 ic.

Web In 2 Simple Inverter Schematic Diagram Below.


3 shows the equivalent circuits for the inverse ci,. From simple gates to complex sequential circuits, plot timing diagrams, automatic circuit generation, explore standard ics, and. Navigate to [ new ]> [ electrical engineering ]> [ circuits and logic ] step 3:

The Current Balance Equation At.


Currently, no quantum representation strategy. I don't understand the result of inverse. Web download scientific diagram | four kinds of operation circuits.

Web In The Photo Provided The Quantum Fourier Transform Is Depicted In Qiskit Before The Barrier.


Web dive into the world of logic circuits for free! Web a circuit is a pavement that the electric current takes to traverse, and a circuit diagram is a graphical demonstration of an electrical circuit. Web 1 x x y y \theta θ \pi π 8 5 2 0 9 6 3 do 4 problems

Select One Circuit Diagram Template To Edit On It Or Click The [+] Sign.


555 is a timer ic which is used to. Web this chapter introduces the state of the art in quantum audio and discusses methods for the quantum representation of audio signals. They include 2 circuit ideas micro.